Итак, мы расмотрели операторское оборудование и кабели и переходим от к технологическим решениям, которых в 2020-м было разработано (или доработано) в 2020 году такое множество, что в одну публикацию все не поместилось – продолжение следует.
Сегодня в программе две системы "умного" мониторинга от компаний Elecard и StreamLabs, решение для аппаратного транскодирования Flussonic, виртуальная IP-домофония от компании "РосДомофон", система управляемых распределителей от челябинского завода "Планар" и снова WISI с программными опциями для платформ Tangram и Chameleon.
Система мониторинга Elecard Boro v. 2.0
Elecard Boro – многофункциональное программное решение для контроля качества UDP, RTP, HTTP и HLS вещания и отслеживания QoS и QoE параметров в распределенной сети с централизованным доступом к статистике и генерацией регулярных отчетов. Решение позволяет быстро и без дополнительных затрат наладить мониторинг сети доставки контента и локализовать самые распространенные проблемы.
Благодаря этому решению оператор сможет обеспечить мониторинг потоков в режиме реального времени; проверить производительность вещающего оборудования и его настройки, сравнить работу нескольких кодеров или мультиплексоров; отследить работу кодера и собрать данные для отладки системы транскодирования с помощью возможности синхронной записи в нескольких задачах (точках).
Elecard Boro доступна и в виде сервиса, что позволит использовать мониторинг и масштабировать систему тогда, когда потребуется. Система дает возможность экономить время за счет мгновенных уведомлений любым удобным способом и благодаря записи события по триггерам: если происходит ошибка, система автоматически записывает проблемный отрезок потока.
Решение для транскодирования от Flussonic
На смену программному транскодеру пришло аппаратное решение, все компоненты которого подобраны строго под задачи транскодирования. Переход на аппаратный транскодинг позволит оператору сэкономить как за счет серверной части, часто являщейся чересчур мощной для текущих задач, так и за счет отсутствия в штате специально обученного инженера, обслуживающего программный транскодер.
В этой версии транскодера снижено энергопотребление, что дает возможность не только удешевить обслуживание транскодера, но и масштабировать число транскодеров, не выходя за рамки бюджета питания и теплоотвода (данная статья расходов у многих операторов связи превышает счета за электроэнергию).
Вместе с транскодером оператор может использовать решение Flussonic Watcher для видеоаналитики.
Концепция "умного" мониторинга от MultiProbe
Мониторинг качества сопряжен с получением множества данных от различных датчиков и устройств. Это настоящие "большие данные" (big data), которые нужно вовремя получить, сохранить и интерпретировать: тысячи значений различных параметров, полученных для разных сервисов в разных участках сети, оценки состояния транспортных потоков и т.п. Объемы данных огромны.
Любой оператор, транслирующий сотню каналов в небольшом городе, столкнется с "большими данными", как только решит навести порядок с качеством услуг. Проблема качественной обработки "больших данных" также важна при внедрении автоматического определения KPI: сбой во входном сервисе, зарегистрированный в тысяче узлов, – это один сбой или тысяча? Анализ причин сбоев для учета в KPI может вывести из строя весь технический отдел, если таких сбоев будет хотя бы пара в день.
Необходимо менять парадигму, контролируя качество услуги путем автоматического анализа большого объема данных. Именно в этом состоит основная идея нового решения StreamLabs – системы распределенного мониторинга MultiProbe, которая выйдет на рынок во II квартале 2021 года.
Основные принципы системы:
Архитектура MultiProbe представлена на рисунке 1. Пунктиром показаны блоки, которые не входят в состав MultiProbe, но могут быть интегрированы.
Различные устройства сбора данных формируют слой устройств сбора данных. В этот слой могут быть интегрированы устройства, созданные разными производителями. Получаемая информация обрабатывается на слое агрегации и анализа, формируемом одним или несколькими серверами (имеются в виду логические, а не физические серверы). Обработанные данные поступают на слой визуализации, а также в OSS/BSS оператора связи. Сведения из OSS/BSS применяются для построения схемы сети и схемы услуг, использующихся при анализе.
Подобная концепция позволяет адаптировать MultiProbe к любой сети спутникового, наземного или кабельного телевидения, сетям ОТТ, CDN и т.д. Для применяемых оператором технологий подбираются соответствующие устройства и формируется необходимый набор плагинов, выполняющих анализ и визуализацию.
Программные опции для платформ Tangram и Chameleon
GTSTRXL – это программная опция, которая позволяет в платах QAM модуляторов Tangram GT23 увеличить число доступных IP-входов со 128 до 256. Необходимость появления такой опции связана с тем, что после предыдущих программных модификаций максимальное число выходных QAM сигналов было увеличено с 8 до 12. Для такого числа выходных QAM сигналов в некоторых режимах стало недостаточно 128 доступных IP-входов. Теперь можно во всех режимах обеспечивать расширенное мультиплексирование, осуществлять резервирование по входным IP-потокам с активным мониторингом и эффективно использовать платы GT23 для предоставления услуг "видео по запросу".
Программная опция GTSCRXL позволяет увеличить число одновременно скремблируемых сервисов со 128 до 256 и предназначена для обеспечения расширенных возможностей по предоставлению услуг "видео по запросу".
Программная опция GTSCRPROX также предназначена для расширенной организации предоставления услуг "видео по запросу". Она устанавливается на модуль контроллера шасси GT11 и позволяет создать на нем прокси-сервер для подключения к серверу CAS и получения от него информации EMMG, ECMG и CW. Затем плата GT11 раздает эту информацию всем модулям в шасси, осуществляющим скремблирование сервисов. Наличие этой лицензии значительно упрощает организацию услуг "видео по запросу" с большим количеством сервисов и уменьшает вероятность ошибок при настройке большого числа плат.
Опция GTCASRED позволяет создавать резервированные подключения к серверам CAS. С этой опцией стало возможно создать дублированное подключение к основному и резервному серверам CAS. При потере подключения к основному серверу система автоматически перейдет на получение EMMG, ECMG и CW с резервного сервера CAS. Наличие такой опции позволяет повысить надежность предоставления платных сервисов абонентам сети.
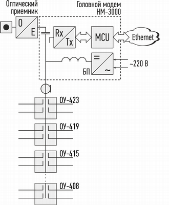
Система управляемых распределителей "Матрица-3"
Система позволяет автоматизировать процесс подключения/отключения к сети абонентов, а также пресекать несанкционированное использование услуг. Интеграция в существующие кабельные сети управляемых распределителей обеспечивает автоматический дистанционный контроль доступа абонентов к передаваемым данным с компьютера оператора или из билинговой программы. Отличительными особенностями системы являются применение распределителей малых габаритов и отсутствие необходимости прокладывания большого количества кабелей в узких подводящих каналах.
В состав системы входят распределители на четыре абонентских отвода, устанавливаемые в абонентских ящиках в подъездах домов; головной модем, управляющий распределителями и обеспечивающий их питание по коаксиальному кабелю; специальное программное обеспечение, установленное на компьютере оператора. При подключении к одному головному модему более 20 распределителей используется внешний дистанционный блок питания.
На рисунках представлены варианты организации системы "Матрица-3" при использовании до 20 и более 20 разветвителей.
Головной модем циклически перебирает записанные адреса, формирует и передает в сеть КТВ управляющие команды по ним. Ответная информация от распределителей поступает на частоте обратного канала.
Управление осуществляется по сети Ethernet. Поддерживаются дистанционное подключение/отключение и режим предупреждения абонента. В случае сбоя электропитания восстанавливается исходное состояние отводов, предшествующее отключению.
Локальная IP-домофония на базе адаптера RDA
С приходом на рынок домофонии многие операторы сталкиваются с дилеммой: как решить задачи по организации управления доступом в жилом комплексе с учетом высоких требований жильцов и застройщиков и в то же время оптимизировать свои инвестиции в инфраструктуру? Этот вопрос еще более актуален для современных новостроек, где необходимо строить сеть с нуля. Для большинства провайдеров выбор логично падает на IP-домофонию, которую можно построить на базе классической СКС.
IP-АТС на RDA – программно-аппаратном комплексе на базе мини-компьютера Raspberry Pie – становится связующим звеном всех компонентов домофонии при выборе любого подхода построения: координатно-матричного или IP. За счет использования таких продуктов, как Pacemaker, Asterisk, DRBD обеспечивается стабильность и гибкость работы решения. Плюс управление IP-АТС из личного кабинета в "два клика мышью".
Преимущество аналоговой домофонии, несмотря на ее несовременность, в том, что она не зависит от внешних факторов, таких как отключение интернета или электричества. Аналоговый домофон работает всегда. Как достичь этого с IP-домофонией? Решение, когда IP-АТС встроена в локальную сеть дома, а не находится во внешнем ЦОД, гарантирует стабильное взаимодействие всех компонентов системы и работу домофона, даже если произойдет отключение интернета или иной инцидент.
У разработчика также есть решение для случаев, когда в доме проведена сеть другого оператора, к которой подключены видеомониторы в квартирах. Устройства продолжают работу, как прежде, а для жильцов открывается дополнительная возможность воспользоваться преимуществами умной домофонии и через мобильное приложение на смартфоне.
Продолжение следует...
Материалы рубрики "Технические новинки" не являются коммерческими, публикуются в рамках редакционной политики на некоммерческой основе. Если вы являетесь вендором или дистрибутором телекоммуникационного оборудования для сетей операторов связи, приглашаем вас принять участие в нашем следующем обзоре. Для этого необходимо прислать письмо в редакцию с описанием продукта и его фотографиями.
Все материалы проходят предварительную подготовку (как минимум, мы оставляем за собой право удалять коммерческую информацию, которую обычно публикуем в коммерческих статьях), но обещаем, что ваш продукт будет представлен операторскому сообществу через наш ресурс.
- Войдите или зарегистрируйтесь, чтобы оставлять комментарии






